Motore DF9.9B

Modello DF9.9B

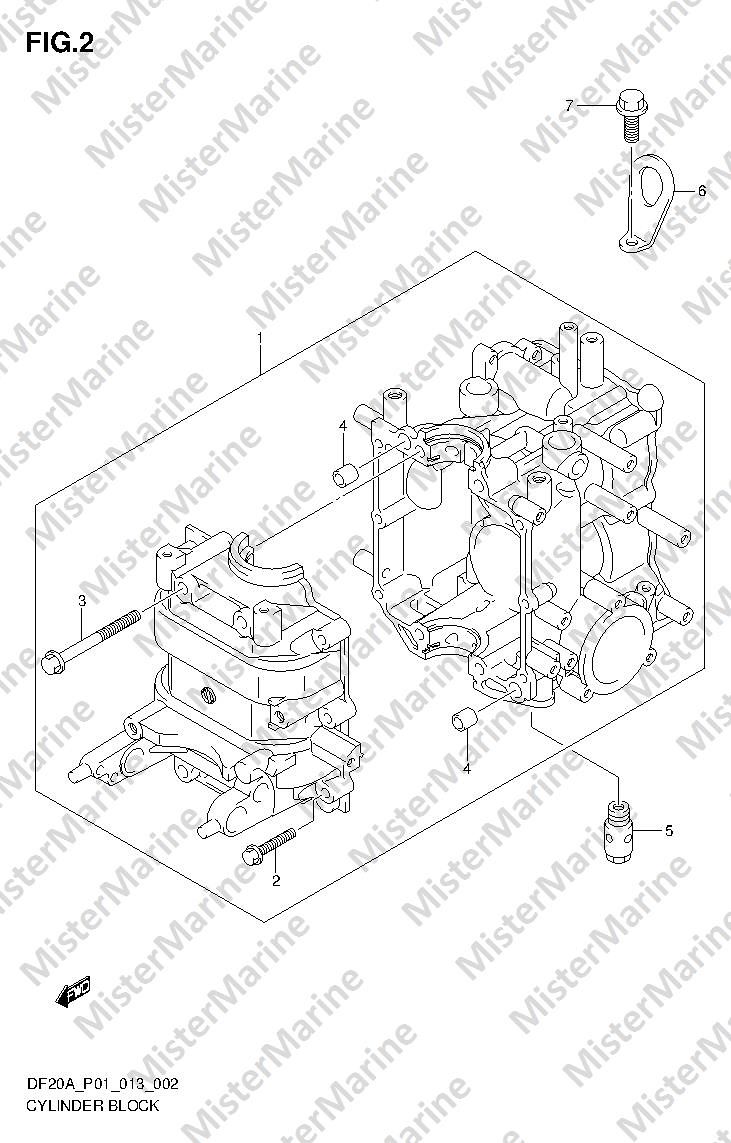
Esploso FIG.2 (1-B-3) CYLINDER BLOCK

Anno: 2013
Seriali: 00995F-310001~
1
11300-89L00-000
11300-89L00
BLOCCO, CILINDRO
BLOCK ASSY, CYLINDER
Qtà Richiesta: 1 --
Rimpiazzato da 11300-89L03-000
2
01550-06357-000
01550-06357
BULLONE
.BOLT
Qtà Richiesta: 6
€ 3.11
3
01560-08757-000
01560-08757
BULLONE
.BOLT
Qtà Richiesta: 4
€ 3.48
4
04211-11129-000
04211-11129
COPIGLIA
.PIN
Qtà Richiesta: 2
€ 2.04
5
16440-11D00-000
16440-11D00
VALVOLA CONTROLLO PRESSIONE
REGULATOR ASSY, ENGINE
Qtà Richiesta: 1
€ 17.56
6
11291-91B50-000
11291-91B50
GANCIO MOTORE
HOOK, ENGINE
OPT
Qtà Richiesta: 1
€ 8.97
7
01550-08207-000
01550-08207
BULLONE
BOLT
OPT
Qtà Richiesta: 1
€ 3.26
Go To top