Motore DF20A

Modello DF20A

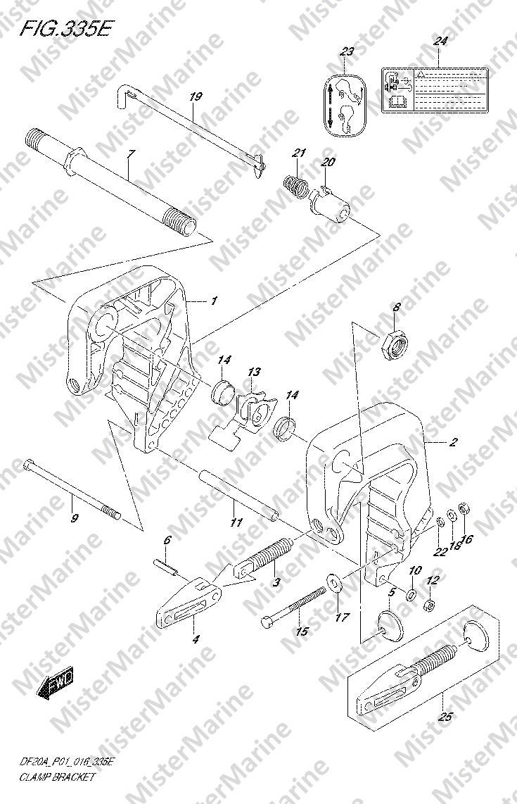
Esploso FIG.335E (2-D-5) CLAMP BRACKET (DF15AR P01)

Anno: 2015
Seriali: 02002F-510001~
1
41111-89L00-0EP
41111-89L00-0EP
SUPPORTO
BRACKET, CLAMP STBD (BLACK)
Qtà Richiesta: 1
€ 72.48
2
41121-89L00-0EP
41121-89L00-0EP
SUPPORTO
BRACKET, CLAMP PORT (BLACK)
Qtà Richiesta: 1
€ 73.10
3
41211-99JL0-000
41211-99JL0
VITE
SCREW, CLAMP
Qtà Richiesta: 2
€ 19.95
4
41212-91J00-000
41212-91J00
LEVA
HANDLE, CLAMP
Qtà Richiesta: 2
€ 13.14
5
41213-94J01-000
41213-94J01
ROSONE DI SPINTA
PLATE, CLAMP
Qtà Richiesta: 2
€ 3.73
6
09205-06021-000
09205-06021
PERNO
SPRING PIN (6X25)
Qtà Richiesta: 2
€ 1.84
7
41130-89L00-000
41130-89L00
ALBERO
SHAFT, CLAMP BRACKET
Qtà Richiesta: 1
€ 142.72
8
09159-22006-000
09159-22006
DADO
NUT
Qtà Richiesta: 1
€ 20.83
9
09100-06178-000
09100-06178
BULLONE
BOLT (6X150)
Qtà Richiesta: 1
€ 7.78
10
09160-06082-000
09160-06082
RONDELLA PIANA 6,5X16X2,3
WASHER (6.5X13X1.0)
Qtà Richiesta: 1
€ 1.76
11
09180-06366-000
09180-06366
DISTANZIATORE
SPACER (6.5X10.5X114)
Qtà Richiesta: 1
€ 16.54
12
29141-93J00-000
29141-93J00
DADO
NUT, CLAMP BRKT LOWER (M6)
Qtà Richiesta: 1
€ 5.56
13
45261-89L00-000
45261-89L00
LEVA
LEVER, RELEASE
Qtà Richiesta: 1
€ 13.52
14
09306-22006-000
09306-22006
BOCCOLA
BUSH (22.6X27X8)
Qtà Richiesta: 2 --
Rimpiazzato da 59315-94J00-000
€ 0.57
15
09100-08311-000
09100-08311
BULLONE
BOLT (8X90)
Qtà Richiesta: 2
€ 8.64
16 09140-08023-XC0 NUT Qtà Richiesta: 2 -- Articolo non in catalogo.
Contattaci per ulteriori informazioni!
17
09160-08081-000
09160-08081
RONDELLA 8,5X23X1,5
WASHER (8.5X23X1.5)
Qtà Richiesta: 2
€ 3.26
18
29162-93J10-000
29162-93J10
RONDELLA DI SICUREZZA 8MM
WASHER, TRANSOM BOLT LOCK
Qtà Richiesta: 2
€ 1.66
19
45420-89L00-000
45420-89L00
PERNO
PIN, TILT LOCK
Qtà Richiesta: 1 --
Rimpiazzato da 45420-89L01-000
€ 30.82
20
45425-94J01-000
45425-94J01
STOPPER
STOPPER, TILT LOCK PIN
Qtà Richiesta: 1
€ 3.12
21
09441-17001-000
09441-17001
MOLLA
SPRING
Qtà Richiesta: 1
€ 2.01
22
09160-08170-000
09160-08170
RONDELLA
WASHER (8.5X16X2)
Qtà Richiesta: 2
€ 1.42
23
45269-89L00-000
45269-89L00
ACCENNO
MARK, REVERSE LOCK
Qtà Richiesta: 1
€ 0.35
24
69911-91J50-000
69911-91J50
INDICAZIONE
MARK, CLAMP BRACKET
Qtà Richiesta: 1 --
Rimpiazzato da 69911-91J51-000
€ 3.18
25
41210-99JL1-000
41210-99JL1
SET BULLONE/GRAFFA
SCREW SET, CLAMP
OPT
Qtà Richiesta: 1
€ 27.67
Go To top