Motore DF150

Modello DF150T

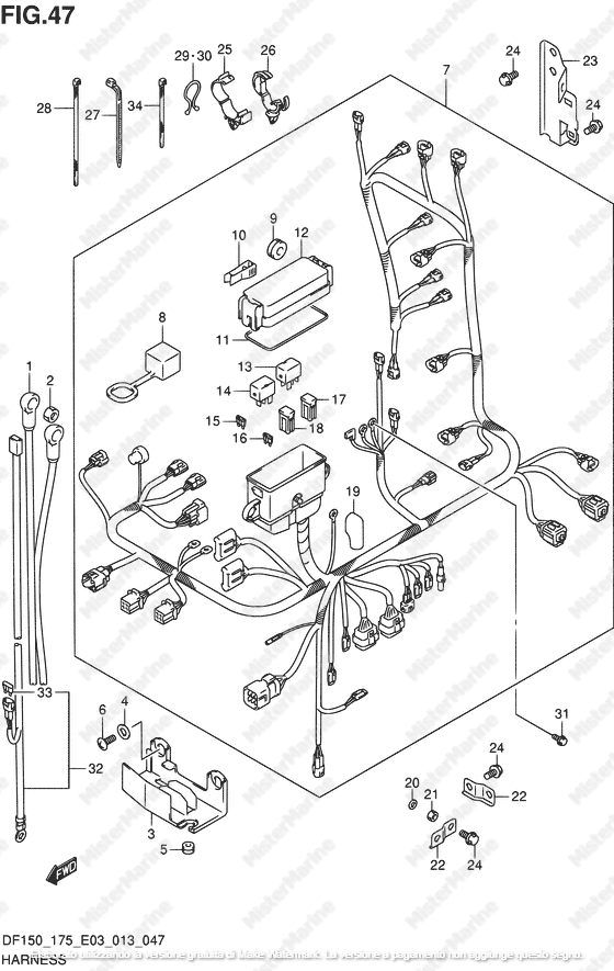
Esploso FIG.89 IMPIANTO ELETTRICO DF150T

Anno: 2016
Seriali: 15002F-610001~
1
33810-96J00-000
33810-96J00
CAVO
CABLE ASSY, STARTER MOTOR
Qtà Richiesta: 1 --
Rimpiazzato da 33810-96L01-000
€ 236.40
2
08316-10087-000
08316-10087
DADO 8MM
NUT
Qtà Richiesta: 1
€ 2.68
3
36616-96J00-000
36616-96J00
SUPPORTO CAVO
HOLDER, CABLE
Qtà Richiesta: 1
€ 5.71
4
09169-06053-000
09169-06053
RONDELLA
WASHER
Qtà Richiesta: 2
€ 2.39
5
09320-04009-000
09320-04009
BOCCOLA
BUSH
Qtà Richiesta: 2 --
Articolo non in catalogo.
6
02142-06167-000
02142-06167
VITE
SCREW
Qtà Richiesta: 2
€ 1.39
7
36610-96J40-000
36610-96J40
CABLAGGIO COMPL.
HARNESS ASSY, WIRING
Qtà Richiesta: 1 --
Rimpiazzato da 36610-96JC1-000
8
33634-96J00-000
33634-96J00
CAPPUCCIO
.CAP, SERVICE CONNECTOR
Qtà Richiesta: 1
€ 5.71
9
09320-08021-000
09320-08021
SUPPORTO ANTIVIBRANTE
.CUSHION
Qtà Richiesta: 2 --
Articolo non in catalogo.
10
36737-96J00-000
36737-96J00
MOLLETTA FUSIBILE
.PULLER, FUSE
Qtà Richiesta: 1
€ 4.07
11
36721-96J00-000
36721-96J00
O-RING
.O RING, UPPER COVER
Qtà Richiesta: 1 --
Rimpiazzato da 36721-98L10-000
€ 9.35
12
36738-96J00-000
36738-96J00
COPERCHIO FUSIBILI
.COVER, FUSE CASE UPPER
Qtà Richiesta: 1
€ 13.15
13
38860-76F01-000
38860-76F01
RELE' AVVIAMENTO
.RELAY, ENG CONTROL UNIT
Qtà Richiesta: 1
€ 38.58
14
38860-76F01-000
38860-76F01
RELE' AVVIAMENTO
.RELAY ASSY, STARTER MOTOR
Qtà Richiesta: 1
€ 38.58
15 09481-10501 .FUSE (10A) Qtà Richiesta: 3 -- Articolo non in catalogo.
Contattaci per ulteriori informazioni!
16
09481-30501-000
09481-30501
FUSIBILE 30A
.FUSE (30A)
Qtà Richiesta: 3
€ 2.81
17
09481-30401-000
09481-30401
FUSIBILE
.FUSE (30A)
Qtà Richiesta: 1
€ 6.48
18
09481-60401-000
09481-60401
FUSIBILE
.FUSE (60A)
Qtà Richiesta: 2
€ 7.41
19
36612-96J00-000
36612-96J00
TAPPO
.CAP, TERMINAL
Qtà Richiesta: 1 --
Rimpiazzato da 36612-96J01-000
€ 5.71
20
08310-00067-000
08310-00067
DADO 6MM
NUT
Qtà Richiesta: 1
€ 2.20
21
08321-01067-000
08321-01067
RONDELLA SPACCATA 6MM
WASHER
Qtà Richiesta: 1
€ 1.72
22
36617-93J00-000
36617-93J00
SUPPORTO CABLAGGIO
BRACKET, HARNESS
Qtà Richiesta: 2
€ 1.76
23
36617-96J00-000
36617-96J00
SUPPORTO CABLAGGIO
BRACKET, HARNESS
Qtà Richiesta: 1
€ 7.65
24
01550-06127-000
01550-06127
BULLONE
BOLT
Qtà Richiesta: 4
€ 1.96
25 09403-18409 CLAMP Qtà Richiesta: 1 -- Articolo non in catalogo.
Contattaci per ulteriori informazioni!
26
09403-20308-000
09403-20308
FERMO
CLAMP
Qtà Richiesta: 1
€ 4.17
27
09407-14403-000
09407-14403
MOLLETTA L=125MM
CLAMP (L:125)
Qtà Richiesta: 1
€ 2.68
28
09407-14407-000
09407-14407
SERRACAVO
CLAMP (L:145)
Qtà Richiesta: 4
€ 3.27
29 09408-00008 CLIP (ID:20) Qtà Richiesta: 2 -- Articolo non in catalogo.
Contattaci per ulteriori informazioni!
30
09408-00024-000
09408-00024
FASCETTA
CLIP (ID:23)
Qtà Richiesta: 1
€ 1.49
31
01550-06127-000
01550-06127
BULLONE
BOLT
Qtà Richiesta: 1
€ 1.96
32-1
36625-93J00-000
36625-93J00
CABLAGGIO 3.70 MT.
LEAD, BATTERY
L:3700
Qtà Richiesta: 1 --
Rimpiazzato da 36625-93J01-000
€ 53.28
32-2
36625-93J10-000
36625-93J10
LEAD,BATTERY
LEAD, BATTERY L:6500
OPT
Qtà Richiesta: 1
€ 36.15
33 09481-15501 .FUSE (15A) Qtà Richiesta: 1 -- Articolo non in catalogo.
Contattaci per ulteriori informazioni!
34
09407-10404-000
09407-10404
MOLLETTA
CLAMP (L:100)
Qtà Richiesta: 2
€ 1.76
Go To top